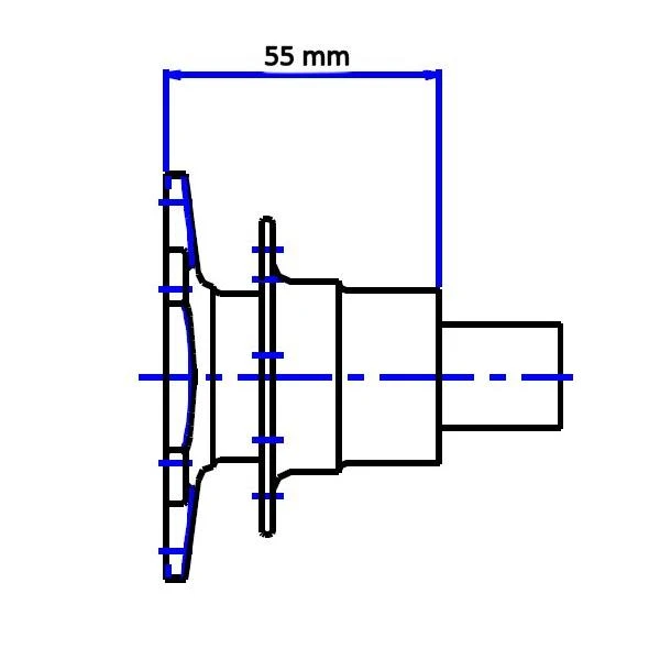
Quick system LIFELINE Tourisme / Rallye 6 trous à souder
Accessoire indispensable pour retirer votre volant en quelques secondes !
Conçus en aluminium qualité aéronautique anodisé.
Multi-cannelures avec détrompeur.
Modèle à souder sur la colonne de direction.
6 trous de fixations.











Avis
Il n’y a pas encore d’avis.